Перейти к основному содержанию
Адрес
Московская область, г. Балашиха,
ул. Шоссе Энтузиастов, строение 2А
Телефоны
8 (925) 518-17-72
8 (967) 143-49-49
Запчасти в наличии
Доставка и оплата
О компании
Блог
Справочник
Контактная информация
Заказать запчасть
Корзина
Поиск запчастей
Найти
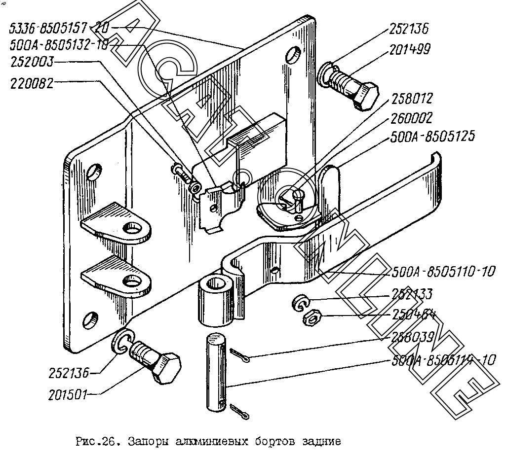
Защелка в сборе (500А-8505125)
Запрос на наличие детали
Вы должны включить JavaScript чтобы использовать эту форму.
Ваше имя
*
Контактный телефон
*
E-mail
Вопросы и уточнения
Отправить
Где используется?
Запоры алюминиевых бортов задние МАЗ 9397
‹ предыдущая
2 из 2
Разделы сайта
Запчасти в наличии
Доставка и оплата
О компании
Блог
Справочник
Контактная информация
Запчасти для грузовиков
Американские
Европейские
Запчасти МАЗ
Запчасти ЯМЗ
Контактная информация
Московская область, г. Балашиха,
ул. Шоссе Энтузиастов, строение 2А